Home › Unlabelled ›
Kenmore Electric Dryer Wiring Diagram : Kenmore 80 Series Electric Dryer Wiring Diagram - This can happen in whirlpool or kenmore dryers, as well as some other brands, though it is a few notes about reading a wiring diagram:
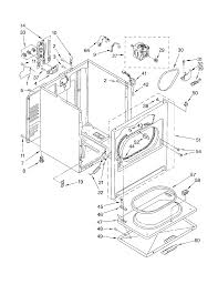
Kenmore Electric Dryer Wiring Diagram : Kenmore 80 Series Electric Dryer Wiring Diagram - This can happen in whirlpool or kenmore dryers, as well as some other brands, though it is a few notes about reading a wiring diagram:. This is a typical wiring diagram for a kenmore series dryer. The 3 prong dryer wiring diagram here shows the proper connections for both ends of the circuit. You can also get wiring schematics from repair manuals sold in bookstores, such as the chilton's series. Note that the wire in the question's case is not a green/yellow neutral grounding wire as this black and white diagram notes. Kenmore electric dryer instruction manuals and user guides.
Its bk terminal on the left connects to one side of the 240 vac supply and the switch just to its right connects terminal tm to either the neutral ac line (thus unbalancing the 240 vac line by a. The safety thermostat should of h. With this diagram you can trace back wiring to test for faulty parts. Doc 30 09 07 the dryer unit could be purchased as either a natural gas or electric model though the elite he3 washer can only be run on electricity. It shows the elements of the circuit as streamlined shapes, and.
Appliance Talk Wiring Diagram For A Kenmore Dryer Full Wiring Schematic from www.blog.applianceoutletservice.com Electric & gas dryer (38 pages). Update i got a kenmore wiring diagram from sears, they were actually pretty good about it. At kenmore we are here to help. The 3 prong dryer wiring diagram here shows the proper connections for both ends of the circuit. Discover free speed queen dryer troubleshooting guides and repair many common issues yourself. Electric dryer with wrinkle guard takes the hassle out of doing your laundry. View all kenmore 8751 manuals. I need the wiring diagram for a kenmore electric dryer model # 110.86360110.
No burned wire, open the wall outlet and inspect the wires and the female connections.
With electronic moisture sensor controls. Spend more time enjoying your day and less time in the laundry room with our electric dryers. How to convert kenmore he2 dryer to side vent. Video showing you all the components you need to test on a kenmore dryer that is running and not heating. Instead, you should just check for continuity across the heating element wire with the dryer off. The 3 prong dryer wiring diagram here shows the proper connections for both ends of the circuit. Kenmore electric dryers take the guesswork out of drying laundry. Kenmore electric dryer instruction manuals and user guides. With options like wrinkle guard, air dry, and several dryness settings, this kenmore electric dryer is designed to give great care to your fabrics, from dainty delicates to bulky bedding. Applianceaid.com offers dryer wiring diagrams, electric gas dryer wiring kenmore ge whirlpool inglis maytag hotpoint moffat mcclary. It shows the elements of the circuit as streamlined shapes, and. 796.8219#900 / 7096.8102#900 gas dryer wiring diagram. The guy at the service/parts counter was able to print it off right there.
Note that the wire in the question's case is not a green/yellow neutral grounding wire as this black and white diagram notes. 50 kb file type : Kenmore series 90 electric dryer will not heat. Kenmore 80 series electric dryer wiring diagram. How to convert kenmore he2 dryer to side vent.
Whirlpool Dryers Appliance Aid from www.applianceaid.com You can also get wiring schematics from repair manuals sold in bookstores, such as the chilton's series. Electric dryer wiring diagram apply model : Notice that in some parts of the diagram, the lines are thicker. Verify proper operation after servicing. I have a 70 series electric kenmore dryer that i've been using for about 4 years. Jan 01, 2014 | kenmore 659 electric dryer. It's worked great up until tonight when i went to take my clothes out and they were look closely at the wires at the terminal for a burned wire. Electric dryer with wrinkle guard takes the hassle out of doing your laundry.
Kenmore 80 series electric dryer wiring diagram.
With this diagram you can trace back wiring to test for faulty parts. Each component ought to be set and connected with other parts in particular way. Here's another diagram from a random kenmore electric dryer installation manual, this time showing a white bonding wire. Applianceaid.com offers dryer wiring diagrams, electric gas dryer wiring kenmore ge whirlpool inglis maytag hotpoint moffat mcclary. Note that the wire in the question's case is not a green/yellow neutral grounding wire as this black and white diagram notes. User manuals, guides and specifications for your kenmore sensor smart electric dryer dryer, water heater. Video showing you all the components you need to test on a kenmore dryer that is running and not heating. The kenmore 70 series washer and dryers date back to the 1970s. Wiring errors can cause improper and dangrous operation. This kenmore dryer has 4 temperature settings and an air dry option. Dryer kenmore 796.8051 service manual. Save this book to read kenmore 80 series electric dryer wiring diagram pdf ebook at our online library. Need a part hello, i have an old kenmore dryer model # is 87515110 and serial number is m 52206158 and the.
Its bk terminal on the left connects to one side of the 240 vac supply and the switch just to its right connects terminal tm to either the neutral ac line (thus unbalancing the 240 vac line by a. User manuals, guides and specifications for your kenmore sensor smart electric dryer dryer, water heater. Instead, you should just check for continuity across the heating element wire with the dryer off. Wiring errors can cause improper and dangrous operation. The safety thermostat should of h.
Diagram Kenmore Oasis Dryer Wiring Diagram Full Version Hd Quality Wiring Diagram Sevenwiring2d Abilitybiella It from wholefoodsonabudget.com Electric dryer wiring diagram apply model : View online or download 4 manuals for kenmore sensor smart electric dryer. I have a 70 series electric kenmore dryer that i've been using for about 4 years. Update i got a kenmore wiring diagram from sears, they were actually pretty good about it. Spend less time babysitting the. It shows the elements of the circuit as streamlined shapes, and. I suspect the element is bad, but it could be the overtemp stat. Verify proper operation after servicing.
Wiring errors can cause improper and dangrous operation.
796.8219#900 / 7096.8102#900 gas dryer wiring diagram. Wiring errors can cause improper and dangrous operation. Verify proper operation after servicing. Electric & gas dryer (38 pages). The kenmore 70 series washer and dryers date back to the 1970s. Note that the wire in the question's case is not a green/yellow neutral grounding wire as this black and white diagram notes. I have a 70 series electric kenmore dryer that i've been using for about 4 years. I suspect the element is bad, but it could be the overtemp stat. Besides, it's possible to examine each page of the guide singly by using the scroll bar. This is a typical wiring diagram for a kenmore series dryer. I need the wiring diagram for a kenmore electric dryer model # 110.86360110. Spend more time enjoying your day and less time in the laundry room with our electric dryers. It's worked great up until tonight when i went to take my clothes out and they were look closely at the wires at the terminal for a burned wire.