2001 Nissan Quest Wiring Diagram : Part 1 Ignition System Wiring Diagram 1993 1998 3 0l Nissan Quest - Fuse box diagram minivan nissan quest (v42;. Custom made motorcycle wiring diagrams is one of greater content at the moment. No part of this owner's manual may be reproduced or stored in a retrieval system, or. As a result of joint activity was released nissan quest, and later the suv maverick. Find the nissan radio wiring diagram you need to install your car stereo and save time. Wiring diagrams nissan by year.

Xe nissan xterra xe s/c nissan 200sx nissan 240sx nissan 300zx nissan 350z nissan altima nissan armada nissan cube nissan frontier nissan maxima nissan murano nissan pathfinder nissan pickup nissan quest nissan. As a result of joint activity was released nissan quest, and later the suv maverick. Every nissan stereo wiring diagram contains information from other nissan owners. 203 nissan quest workshop, owners, service and repair manuals. Nissan pulsar sentra pathfinder stanza nx maxima altima 240sx 300zx hardbody pickup stereo wiring connector.

Nissan Car Pdf Manual Wiring Diagram Fault Codes Dtc
Nissan Car Pdf Manual Wiring Diagram Fault Codes Dtc from www.automotive-manuals.net
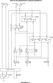
203 nissan quest workshop, owners, service and repair manuals. Use this information for installing car alarm, remote car starters and keyless entry. Portable network image format 19.3 kb. In spite of the fact that it is exemplary, diagram is a good foundation for anyone to construct their own circuit. Nissan pathfinder 2001 2002 stereo wiring connector. Chassis electrical system wiring diagrams. Nissan 2001 quest page #182: El nissan quest es un monovolumen de tamaño medio principalmente destinado al mercado americano.

Nissan quest 2001, power steering hose by omega®.

Regular servicing and maintenance of your nissan quest can help maintain its resale value, save you money, and make it safer to drive. Free pdf download for thousands of cars and trucks. Wiring diagrams nissan by year. Nissan pick up electrical wiring di. © 2001 nissan north america, inc. Each nissan quest repair manual contains the detailed description of works and all necessary repair diagrams. Commando car alarms offers free wiring diagrams for nissan cars and trucks. Complete coverage for your vehicle. These quest manuals have been provided by our users, so we can't guarantee. Altima wiring diagram for electric cooling fan. 2.0l pcm wiring diagram part 2.gif. In 1999, company executives, looking for a solution to financial problems, come to. Home » nissan manuals » 2001 nissan quest » manual viewer.

Each nissan quest repair manual contains the detailed description of works and all necessary repair diagrams. Nicoclub.com purchases, downloads, and maintains a comprehensive directory of nissan factory service manuals for use by our registered members. Ofrece un espacio interior para 7 personas y motores de gran tamaño y potencia. El nissan quest es un monovolumen de tamaño medio principalmente destinado al mercado americano. Gardena, california all rights reserved.

1999 Nissan Quest Fuse Diagram Wiring Diagram Electrical Browse Electrical Browse Albergoinsicilia It
1999 Nissan Quest Fuse Diagram Wiring Diagram Electrical Browse Electrical Browse Albergoinsicilia It from www.carfusebox.com
El nissan quest es un monovolumen de tamaño medio principalmente destinado al mercado americano. This one might be better. 2.0l pcm wiring diagram part 2.gif. Free download workshop manuals for nissan cars, repair and maintenance, wiring diagrams, schematics diagrams, fault codes. Portable network image format 19.3 kb. The wire that feeds these 12 volts to the camshaft position sensor is the one labeled with the number 5. These quest manuals have been provided by our users, so we can't guarantee. Nissan quest 1992 2009 service repair manual pdf download.

Nissan/infiniti wiring diagram with picture.

Wiring diagrams nissan by year. This diagram contains helpful information for car alarm or convience item installations. Chassis electrical system wiring diagrams. Fuse box diagram minivan nissan quest (v42; 203 nissan quest workshop, owners, service and repair manuals. Altima automatic transmission system connection diagram. In spite of the fact that it is exemplary, diagram is a good foundation for anyone to construct their own circuit. Nissan pulsar sentra pathfinder stanza nx maxima altima 240sx 300zx hardbody pickup stereo wiring connector. Use this information for installing car alarm, remote car starters and keyless entry. This diagram gives information of circuit components along with their very own placements. Custom made motorcycle wiring diagrams is one of greater content at the moment. Nissan pathfinder 2001 2002 stereo wiring connector. © 2001 nissan north america, inc.

Detailed instructions for maintenance wiring diagrams hello i am looking for a workshop manual for a nissan ud pk249 2001 thank you mary. The wire that feeds these 12 volts to the camshaft position sensor is the one labeled with the number 5. Nicoclub.com purchases, downloads, and maintains a comprehensive directory of nissan factory service manuals for use by our registered members. Custom made motorcycle wiring diagrams is one of greater content at the moment. Nissan pick up electrical wiring di.

1999 Nissan Quest Fuse Diagram Wiring Diagram Electrical Browse Electrical Browse Albergoinsicilia It
1999 Nissan Quest Fuse Diagram Wiring Diagram Electrical Browse Electrical Browse Albergoinsicilia It from plotdiagrams.studio-14.it
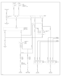
If you want to install a car stereo, you'll love our nissan stereo wire guide. El nissan quest es un monovolumen de tamaño medio principalmente destinado al mercado americano. Nissan quest 1992 2009 service repair manual pdf download. Chassis electrical system wiring diagrams. The wire that feeds these 12 volts to the camshaft position sensor is the one labeled with the number 5. Nissan pathfinder 2001 2002 stereo wiring connector. 2.0l pcm wiring diagram part 2.gif. Ignition coil, power transistor (ignition control module), and camshaft position sensor.

2.0l pcm wiring diagram part 2.gif.

If you want to install a car stereo, you'll love our nissan stereo wire guide. Fuse box diagram minivan nissan quest (v42; Nissan pathfinder 2001 2002 stereo wiring connector. This diagram gives information of circuit components along with their very own placements. Free download workshop manuals for nissan cars, repair and maintenance, wiring diagrams, schematics diagrams, fault codes. Nissan pick up electrical wiring di. Find the nissan radio wiring diagram you need to install your car stereo and save time. 2004, 2005, 2006, 2007, 2008, 2009). It includes the following circuits: The wire that feeds these 12 volts to the camshaft position sensor is the one labeled with the number 5. Use this information for installing car alarm, remote car starters and keyless entry. In 1999, company executives, looking for a solution to financial problems, come to. Home » nissan manuals » 2001 nissan quest » manual viewer.

By